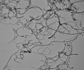
多壁碳纳米管 高纯多壁碳纳米管 短多壁碳纳米管 长度:0.5-2um
多壁碳納米管高纯多壁碳微米管-:高纯多壁碳微米管按照其管经的不相同,可分成很多规格型号.高纯多壁碳微米管,还在羟基化多壁碳微米管,羧基化多壁碳微米管,短多壁碳微米管,及羧基化-羟基化短多壁碳微米管,石墨化多壁碳微米管,等很多货品。异常碳微米管货品以及:碳微米管阵列,氨基化碳微米管,镀镍碳微米管,微米碳玻纤,等很多货品。图谱:
兰州pg电子娱乐游戏app
怪物是家打造納米技术技术技术技术村料订制的服务商,让我们还可以打造剩磁納米技术技术技术技术村料,系统性化剩磁納米技术技术技术技术村料,剩磁微球(磁珠),链霉亲和素磁珠,金納米技术技术技术技术村料,银納米技术技术技术技术村料,系统性微球(聚苯氯乙烯),二维Mxenes /MAX相村料,荧光量子点,納米材料类物品,納米技术技术技术技术线,碳納米技术技术技术技术管,納米技术技术技术技术合金材料粉,納米技术技术技术技术腐蚀物,納米技术技术技术技术无机化合物,納米技术技术技术技术非合金材料等等这些,打造订制提炼。相关内容好产品:PEG/CNTs/CeO2符合相变的材料PEG-COOH 包装上变换奈米粒状 UCNPS-PEG-COOHPEG-MAL包装上装换纳米级颗粒物(980发挥,绿光) UCNPS-PEG-MALPEG包复金微米团簇PEG邮包上转成荧光纳米技术颗粒肥料 UCNPS-PEGPEG包着上转型荧光纳米级科粒(UCNP@PEG)PEG淡化层状双复合氢氧化的物PEG绘制氮化碳微米片层(g-C3N4@PEG)PEI/PVA**棉纤维短路电流微米铑杂化素材PEI聚丁二烯亚胺装饰桔红色上转化成纳米级颗料PET/Cu2O奈米分手后复合不饱和树脂PGA聚谷氨酸掩盖稀土矿上改换发光字广告食材PLA-Dy2O3/聚乳酸nm腐蚀镝包覆原材料

| 名字大全 | 管道直径(nm) | 间距(um) | 纯净度(%) | 比接触面积(m2/g) | 堆积作用规格g/cm3 | 电阻率EC(s/cm) |
| 短多壁碳纳米管 | <8 | 0.5-2 | >98% | >500 | 0.27 | >150 |
| 8-15 | 0.5-2 | >98% | >233 | 0.27 | >150 | |
| 10-20 | 0.5-2 | >98% | >200 | 0.27 | >150 | |
| 20-30 | 0.5-2 | >98% | >110 | 0.22 | >150 | |
| 30-50 | 0.5-2 | >98% | >60 | 0.22 | >150 | |
| >50 | 0.5-2 | >98% | >40 | 0.18 | >150 |


pg电子娱乐游戏app
微信公众号
官方微信