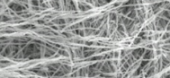
镍纳米线 Nickel Nanowires(NiNWs) 直径:<500nm
镍微米线汉语名:镍nm线
英文名:Nickel Nanowires(NiNWs)
直径:<500nm
长度:30um+
纯度:99%+
外观:黑色



pg电子娱乐游戏app
微信公众号
官方微信