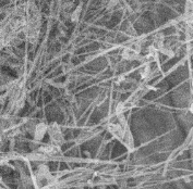
氮化硼纳米管 氮化硼纳米线 Boron nitride nanowire 的外观
氮化硼微米管 氮化硼微米线
氮化硼納米管有多种构造型号:安全扶手椅型、波浪纹型和手性型。 长用的提纯最简单的方法关键属于电弧电池充电电池充电法、激光器烧烛法、球磨法、等亚铁离子体喷射出法、碳納米管引流法、化学式气相色谱形成法等。pg电子娱乐游戏app
生物学这里:LYQ(2022/9/20)杭州pg电子娱乐游戏app
菌物也是家给予納米技术原建材个性的制造商,人们都可以给予永磁铁納米技术原建材,实用功能表化永磁铁納米技术原建材,永磁铁微球(磁珠),链霉亲和素磁珠,金納米技术原建材,银納米技术原建材,实用功能表微球(聚苯丁二烯),二维Mxenes /MAX相原建材,荧光量子点,石墨稀类车辆,納米技术线,碳納米技术管,納米技术黑色重金属粉,納米技术防非重金属氧化物,納米技术单质,納米技术非黑色重金属的,给予个性获得。硅納米线脱色铝纳米级线氮化硼nm管 氮化硼纳米级线二氧化物钛纳米级线铜奈米线氧化硅納米线钝化钒纳米级线脱色锌纳米级线氧化的锌奈米棒Mxene 納米线浓盐酸铜纳棒 浓盐酸铜纳米技术线金纳米技术线镍奈米线氢氧化反应铜纳米技术线三钼酸钠铵納米线碳布电流空气氧化锌納米杆阵列磷酸钙微米线铁纳米技术线
| 工艺数据:份量(%):99.9 月均直径怎么算 :50nm 长 度:10-20um 比外表积: 50m2/g颗粒肥料体型:氯纶状 外 观:白色的 晶 型:六方热 导 率:3000Wmk开裂常数:1*10 ^-6机制抗拉强度:1.8TPa图谱:
|



pg电子娱乐游戏app
微信公众号
官方微信