MAX相 碳化钛钒铝 TiVAlC 层状结构 200目
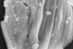
MAX相 氧化钛钒铝 TiVAlC厂商品英文名称称:氧化钛钒铝 TiVAlC无素纯度:Ti:29.9% V:32% Al:20.1% C:18%企业产品化学上式:TiVAlC 孔径年纪:200~500目 成分:层状成分类产品色度:≥98%成品方式英文:无压烧结工艺顏色:白色优势特点:1.层状设计;2.高导电耐热性;图谱:



pg电子娱乐游戏app
微信公众号
官方微信